PPLN Laser Frequency Converter

Device Introduction:
The PPLN waveguide is an optical waveguide device based on periodically poled lithium niobate (PPLN) material. By using quasi-phase matching technology, it can achieve highly efficient laser frequency conversion, with wavelengths covering from 350 nm to 5.2 μm.
Currently, PPLN waveguides made from lithium niobate thin films far outperform traditional proton-exchange waveguides in terms of product stability and high-power performance. This technology helps users easily extend the laser frequency range and supports laser outputs above the watt level. It is the most commonly used nonlinear module for fiber laser systems today.
PPLN waveguides are typically used in the following fields:
Quantum Information:
Quantum Frequency Conversion: It can efficiently and low-noise upconvert infrared single photons to the visible light range for detection, extending the operational wavelength of silicon avalanche photodiodes. It can also convert visible light single-photon frequencies to communication bands for long-distance quantum memory entanglement, etc.
Quantum Detection: As one of the core devices in quantum detection, the internal conversion efficiency is high, solving the frequency mismatch problems in the field of quantum information.
Laser Technology:
Second Harmonic Generation: It can double the frequency of 1064 nm laser to 532 nm, used in iodine clocks or underwater detection equipment. It can also double the frequency of a 1550 nm fiber laser, serving as a low-cost alternative to titanium sapphire lasers, for use in live cell imaging systems and microscopes.
Narrow Linewidth Laser Source Generation: Used to generate narrow linewidth lasers for specific atomic transitions, applicable in atomic cooling and trapping.
Optical Parametric Oscillation:
It can serve as a key component of optical parametric oscillators, producing tunable light in the 350 nm to 5.2 μm range, with output powers up to several watts. This is applicable in spectroscopy and environmental imaging.
Terahertz Field:
The optical rectification effects based on PPLN waveguides can generate terahertz radiation. The phase matching conditions can be optimized through the specific design of periodic polarization structures. It can be used in fields such as security inspection, biomedical applications, and quality testing.
Spectroscopy Field:
It can be used to generate mid-infrared frequency combs for molecular vibration spectrum detection, with important applications in environmental science, chemical analysis, and other fields, such as detecting trace gases in the atmosphere.
Product Examples:Common PPLN modules can achieve frequency doubling of lasers at 1560 nm, 1550 nm, 1064 nm, and 1018 nm. They can also achieve sum-frequency and difference-frequency generation. Below are the key parameters for achieving efficient frequency doubling of a 1550 nm laser.
Currently, the company offers PPLN modules that can be customized to accept any type of optical fiber. They can achieve up to 200%/W fiber-to-fiber normalized conversion efficiency. The product offers high flexibility in manufacturing, with customization options for fiber tail types and input types based on user requirements.


| Parameter | Unit | |
Type of Frequency Mixing | Frequency Doubling | |
Input Wavelength | nm | 1550nm (support 350nm to 5200nm customization) |
Output Wavelength | nm | 775nm (supports customization from 350nm to 5200nm) |
Input Fiber Type | PM1550/FC/APC (customizable) | |
Output Fiber Type | PM780/FC/APC (customizable) | |
Pump Conditions | CW | |
Normalized Conversion Efficiency | %/W | 40-200 (customizable) |
Maximum Output Power | W | 3 (at 6W pump power) |
Temperature Tuning Capability | nm/℃ | 0.16 (varies with working wavelength) |
775nm/780nm compact low power waveguide test data:

Fig:775nm/780nm compact low power waveguide output power vs. pump power
775nm/780nm high power waveguide test data:

Figure : High-power waveguide output power versus pump power
775nm/780nm temperature regulation capability data:

Figure : Output wavelength vs. temperature (center wavelength can be customized)
532nm/509nm waveguide test data:

Figure : Output power vs. pump power
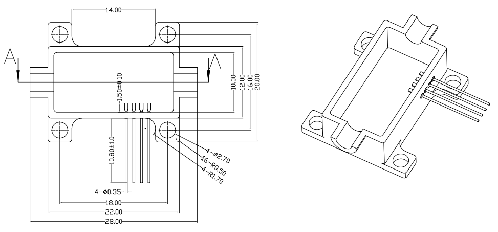
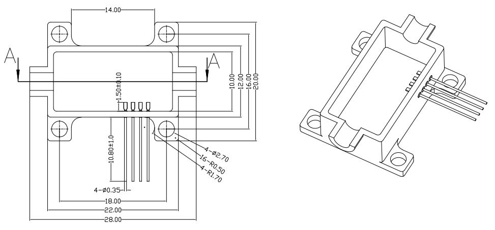
Minimum package product size:

Figure : Package shell size (customizable)
OMeda (Shanghai Omedasemi Co.,Ltd) was founded in 2021 by 3 doctors with more than 10 years of experience in nanpfabrication. It currently has 15 employees and has rich experience in nanofabrication (coating, lithography, etching, two-photon printing, bonding) and other processes. We support nanofabrication of 4/6/8-inch wafers.